产品特点
● 多种输出信号可选
● 全焊接工艺,经久耐用
● 抗干扰、防浪涌保护
● 316L不锈钢隔离膜片,一体化设计
● 性能稳定可靠
应用范围
● 水利水文;
● 城市供水;
● 水泵与水处理;
● 船舶自动化;
● 冶金、化工、电力;
技术参数
量程
0~1mH₂O...50mH₂O
过载
2倍满量程压力
压力类型
表压、绝压
输出信号
两线制4~ 20mADC;供电10~28VDC
三线制0~5VDC;供电10~28VDC
三线制0~10VDC;供电10~28VDC
四线制RS485
精度
±0.25% FS
长期稳定性
±0.2%FS/年
零点温度误差
<2mH₂O±0.05%FS/°C
≥2mH₂O±0.03%FS/°C
满度温度误差
工作温度
-10°C~ 70°C
贮存温度
-20°C~ 85°C
负载电阻
电流二线制:≤(电源电压-10V) / 0.02A (Ω)
电流三线制:>最大输出信号/1mA(Ω)
绝缘电阻
50MΩ@250VDC
防护等级
IP68
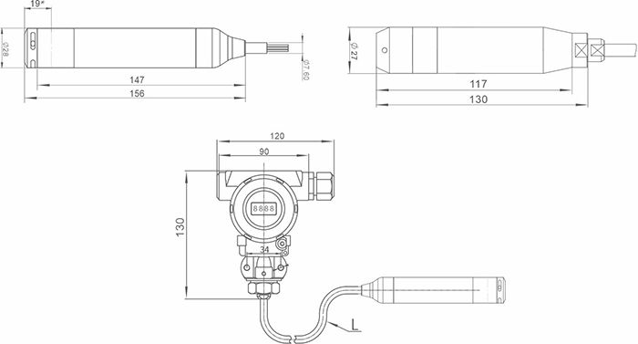
产品尺寸

接线图

产品选型
参数
代号
说明
备注
型号
DYB200
投入式液位变送器
量程
[0~XmH₂O]L
X:实际量程;L:线缆长度(单位:米)
供电
V1
24VDC
V2
5±0.1VDC
输出类型
E1
4~20mA DC
E2
0~5VDC
E3
0~ 10VDC
E5
RS485
出线方式
B2
电缆出线
Φ7.Smm PE线缆可定制
材质
隔离膜片
接口
壳体
M1
SS316L
SS304
SS304
M3
SS316L
SS316L
SS316L
压力类型
G
表压型
A
绝压型
—可靠的压力变送器,来自斗蕴的精心打造—
—可靠的压力变送器,来自斗蕴的精心打造—
—可靠的压力变送器,来自斗蕴的精心打造—
—可靠的压力变送器,来自斗蕴的精心打造—
—可靠的压力变送器,来自斗蕴的精心打造—
—可靠的压力变送器,来自斗蕴的精心打造—
—可靠的压力变送器,来自斗蕴的精心打造— 

微信公众号
客服微信