产品特点
● 可配接 LCD、LED 显示
● 反极性保护、抗干扰保护、过电压过电流保护
● 精度高、可靠性好
● 316L不锈钢隔离膜片,一体化设计
● 隔爆防爆型产品符合 GB3836.2 标准的要求,取得了隔爆合格证,防爆标志为Exd II CT6 Gb
应用范围
● 工业过程检测与控制;
● 液压与气动控制系统;
● 工业机械制造;
● 自动化检测系统;
● 泵站和水处理系统;
技术参数
| 量程 | 100kPa…0kPa~10kPa…100MPa |
| 过载 | 2倍满量程压力或110MPa(取最小) |
| 压力类型 | 表压、绝压、密封表压 |
| 输出信号 | 两线制4~ 20mADC;供电10~28VDC |
| 两线制4~ 20mADC+HART | |
| 两线制4~ 20mADC+蓝牙Bluetooth | |
| 两线制4~ 20mADC+蓝牙+HART | |
| 精度 | ±0.25% FS |
| 长期稳定性 | ±0.2%FS/年 |
| 零点温度误差 |
<100KPa±0.03%FS/°C ≥100KPa±0.03%FS/°C |
| 满度温度误差 | |
| 介质温度 | 30°C~ 80°C |
| 工作温度 | -30°C~ 80°C(无显示) |
| -30°C~ 70°C (LED显示) | |
| -20°C~60°C (LCD显示) | |
| -20°C~60°C(隔爆型) | |
| 贮存温度 | 40°C~ 120°c |
| 负载电阻 | ≤(电源电压-10V) / 0.02A (Ω) |
| 绝缘电阻 | 100M0@250VDC |
| 密封圈 | 氮橡胶 |
| 电子壳体 | 铝合金 |
| 防护等级 | IP65 |
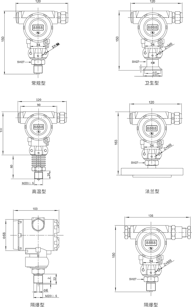
产品尺寸
接线图

产品选型
| 参数 | 代号 | 说明 | 备注 |
| 型号 | DYB300 | 工业压力变送器 | |
| 量程 | (0-X)kPa/ MPa | X为实际所需呈程(量程范围:-100kPa...0kPa~ 10kPa... 100MPa) | |
| 供电 | V1 | 24VDC | |
| V2 | 12VDC | ||
| 输出类型 | E1 | 4~20mA DC | |
| E2 | 4~20mA DC+HART | ||
| E3 | 4~20mA DC+蓝牙 | ||
| E5 | 4~20mA DC+HART+蓝牙 | ||
| 压力接口 | Cl | M20X1.5外螺纹端面密封 | |
| C2 | G1/2外螺纹端面密封 | ||
| C3 | G1/4外螺纹端面密封 | ||
| P1 | 卡拖型,Φ50.5mm平膜 | ||
| G1 | 5片散热片 | ||
| G2 | 10片散热片 | ||
| X | 其它定制规格 | ||
| 压力类型 | G | 表压型 | |
| A | 绝压型 | ||
| 显示方式 | D1 | 无显示 | 供电15~28V DC |
| D2 | 5位LCD数显表头 | ||
| 附加选项 | Ei | 本安防爆型 | 输出类型仅支持E1 |
| Ed | 隔爆型 | ||
—可靠的压力变送器,来自斗蕴的精心打造—
—可靠的压力变送器,来自斗蕴的精心打造—
—可靠的压力变送器,来自斗蕴的精心打造—
—可靠的压力变送器,来自斗蕴的精心打造—
—可靠的压力变送器,来自斗蕴的精心打造—
—可靠的压力变送器,来自斗蕴的精心打造—
—可靠的压力变送器,来自斗蕴的精心打造— 

微信公众号
客服微信